shindaiwa E-346noCDI製作
CDIを分解していって、コイルとコンデンサーはそのまま使えたことから
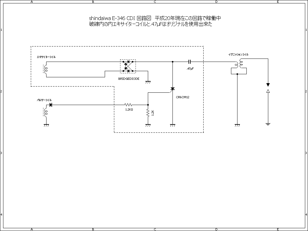
作った人のページと違うところは
1.エキサイターから全波整流をしてること
2.パルサーから1KΩで取り込んでいること(図面では1.2KΩになっているが)
3.パルサーの形状変更をしていないこと
基板は使用していません
SCRは古い物があった場所に瞬間接着剤で固定
ダイオード・抵抗を付けてこれも瞬間接着剤で固定
パルスコイルやイグニッションコイルへの出力線も半田付け箇所から1センチメートルくらいを
躯体に瞬間接着剤で動かないようにします
全体に接着剤を塗って防水絶縁処理を行い完成させます
以下に回路図を掲載します

もう一年以上も現場でバリバリ仕事をしていますから安定度は申し分ありません
話だけでは信頼度が落ちるので現状の写真を添付します
下の画像で上部が後で作成したCDIで絶縁材の接着剤が新しいですね、それにケース削りも最小限になっています
実はこのCDIはまだ全波整流になっていません、スローが安定しませんね
新しいCDIを斜め上から、絶縁の接着剤が垂れていますがその部分にSCRが付いています。オリジナルもそこにSCRが付いていました
これは最初のCDIで中の状態が判らないので大きくケースを取り払ってしまったため塗り包みが多くなっています
パルサーの状態ですなにも加工してありません。フライホイールとの隙間を大目にしてあります(後発のCDI機です)
最初のパルサーも画像では隙間が無いように見えますが広めにしてあります
両方とも現場で連続作業をこなしています。実際には何時もの1/2しか稼働時間は無いけど
最近CSV-391が来てから出番は減っています