共立エコーチエンソー CSV-451の点火装置の製作
点火装置の概観
フライホイールに磁石が3ヶ埋め込まれています
それとエキサイターコイル鉄心との角度を割り出してみました ここ
そしてエキサイターコイル ロー出力波形をオシロで観測しました

その図にピストン上死点を記入してあります
-32°位のマイナス波形から発火信号を得ることが出来ますが二回目のマイナス波形がその後続くのでなんとかしなければなりません。それを波形観測図にて考証した図はここ
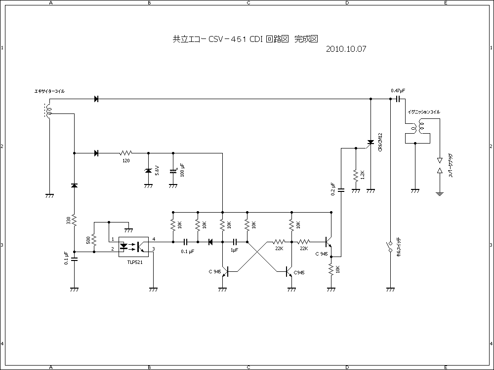
マイナス波形から信号を取り出すのにホットカプラを使ってみました(TLP521)
其の後にワンショットマルチバイブレーターを入れて
時定数をマイナス波形からマイナス波形までくらいとして問題回避を考えました
その図面がこれです

一応連続放電が行なわれました。
残る課題は点火時期を操作することです
1.点火信号を得る敷居値の調整
2.回転数にあわせた進角の調整
===============================
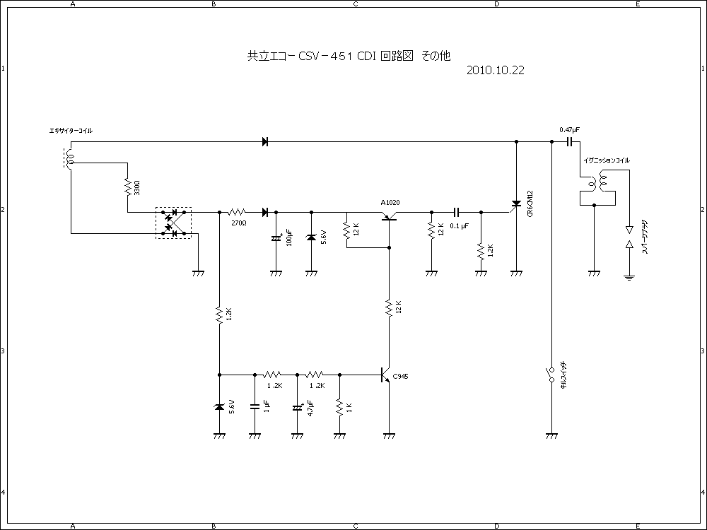
さて問題回避の方法として次の方法を考えました
1.信号出力を全波整流にするものです
特に信号出力を全波整流して平滑回路を通過させれば
ワンパルスにすることができその立ち上がりで
サイリスターをトリガできれば問題解決となるし
部品点数も少なくてすみます
その回路図がこれ
